专注传动相关领域二十多年的供应商
15942397788
网站首页
关于我们
产品展示
硬齿面齿轮减速机系列
精密行星减速机系列
微型电机、齿轮马达减速电机系列
RV蜗轮蜗杆减速机系列
丝杆升降机转向器系列
WP减速机系列
摆线减速机系列
工业齿轮箱系列
伺服电机、步进电机系列
工程案例
新闻动态
常见问题
服务支持
联系我们
网站首页
关于我们
产品展示
硬齿面齿轮减速机系列
精密行星减速机系列
微型电机、齿轮马达减速电机系列
RV蜗轮蜗杆减速机系列
丝杆升降机转向器系列
WP减速机系列
摆线减速机系列
工业齿轮箱系列
伺服电机、步进电机系列
工程案例
新闻动态
常见问题
服务支持
联系我们
产品列表
硬齿面齿轮减速机系列
精密行星减速机系列
精密转角减速机
中空旋转平台
谐波减速机
精密行星减速机
RV减速机
微型电机、齿轮马达减速电机系列
RV蜗轮蜗杆减速机系列
丝杆升降机转向器系列
WP减速机系列
摆线减速机系列
工业齿轮箱系列
伺服电机、步进电机系列
当前位置:
首页
> 精密行星减速机
精密行星减速机
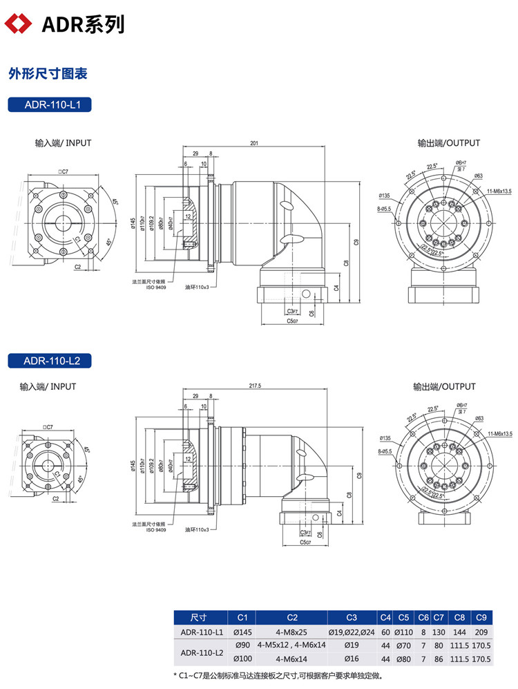
ADR系列高精密行星减速机
相关产品
TB系列高精密行星减速机
AD系列高精密行星减速机
ADR系列高精密行星减速机
AB系列高精密行星减速机
ABR系列高精密行星减速机
PL/PF系列高精密行星减速机
硬齿面齿轮减速机
FJ系列高精度硬齿面齿轮减速机
RJ系列高精度硬齿面齿轮减速机
F系列硬齿面齿轮减速机
R系列硬齿面齿轮减速机
K系列硬齿面齿轮减速机
精密行星减速机系列
AT-H精密转角减速机
AT-L精密转角减速机
AT-C精密转角减速机
AT-FL精密转角减速机
AT-FH精密转角减速机
RV蜗轮蜗杆减速机系列
NMRV30 方法兰输入
NMRV30 圆法兰输入
NMRV40 方法兰输入
NMRV40 圆法兰输入
NMRV50 方法兰输入
丝杆升降机转向器系列
扁头型 SWL丝杆升降机
电机法兰型 SWL丝杆升降机
法兰型 SWL丝杆升降机
螺旋升降机
丝杆升降机
联系我们
销售热线:
15942397788
电话:024-23400881
地址:沈阳市铁西区保工街76号
网址:www.syxls.com
Copyright © 2025 沈阳鑫立升精密传动科技有限公司
免责声明
电话
邮箱
联系